Escolta alemana kv

Cermit cae del techo

Aranceles eléctricos

Esquema de instalación Boyard Guides 350 Instalación oculta con un cerrador

Resuelva el problema en 3 días vendido

Zona de protección de la línea eléctrica 10 kV

Prueba de coronavirus de PCR

El esquema de una sola línea del escudo es de 0.4 kV

Tarea con hojas de matemáticas OGE
[thumb=|Knockout Master (2020 | Rus | English) []]https://ttelka.com/photo/uploads/posts/2023-02/1676582438_ttelka-com-p-porno-escolta-alemana-kv-2.jpg[/thumb]

Lobo con escena de Wall Street con Margot

LEP Zona de seguridad 110 kW

Anastasia Knait Eliza Ibarra

Ana Cheri García

Bailarina Tanya Aleman

Altyazi VIP


Esquemas de escudos de distribución para 380 15 kW

Besar con una hermana con una lengua

Artista Alex Alemany

Esquema para colocar enchufes en la cocina

Interruptor de vacío en BOBO-25-20/630 UHL1

Resuelve el problema por la foto

Antena de bricolaje para un coche caminando alrededor de 27 MHz

Una esposa y madre Aiden

Hikari Hazakura Nande Koko Ni Sensei Ga

Tabla de cálculo de rendimiento de exploración exploración explicativa


Circuito eléctrico EP1M Locomotora eléctrica

Ancla de alta carga HSL-3-G M20/100

Nekrasova Ekaterina 1994

Sección de cable de 15 kW

Dimensiones del transformador TMG 250 kV

3D Y3DF Incest Comics Tía y sobrino

Mensualidad

Zona de seguridad de la línea aérea 110 kV

Tipo de diagrama de conexión TN-C-S de tierra

Signa Dianka

Neumático a tierra del circuito de tierra

Bromas de guerra de War Thunder

Automat 16 amperios de la sección de cable

Marcando B500B

Insertar enlace getok

Mujeres con dignidad masculina

La relación de la corriente nominal del interruptor de circuito

Alexandra Piskun Epic Fight

¿Qué es EPD en el recibo?

Watt Amper 220 Table

La corriente nominal del transformador 400 kVA 0.4 kV

Tanque M7 en el mundo de los tanques Blitz

Esquema de instalación de PZ para líneas aéreas de 110 kV


Icono de patriarca tikhon

Grid de frecuencia de extremo para estaciones de radio

Bimbo High Game

Chicas en medias cerca del auto

Bayliner 1702LS Dibujos de barco

Tabla de capacitancia del condensador microfarad

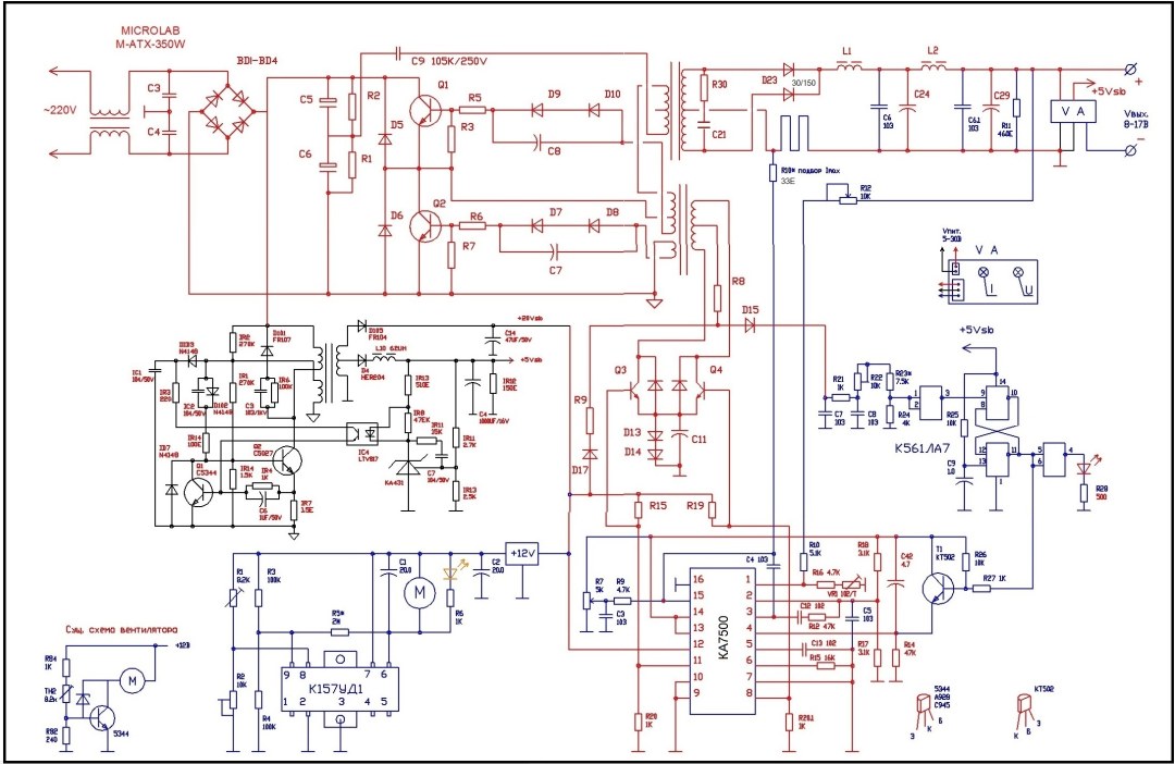
Esquema de inversor np8qm30.pcb

Tabla de liquidación de receptores eléctricos de carga

Tanya Aleman en traje de baño

Sección de cable de aluminio

Reclamación por enriquecimiento injusto

La locomotora eléctrica a un voltaje de 3 kV se desarrolla a una velocidad de 12 m/s

Tanya Aleman y George Attack

Circuito de línea de alimentación 0.4 kV

Pantallas de carga GTA 5

La inscripción te odio en un fondo negro

Tanya Kensinger